Tesla Circuit
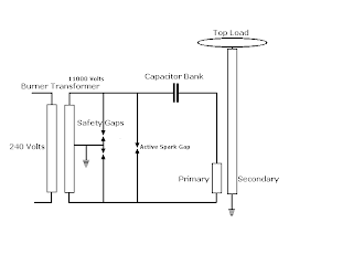
After working with the original diagram, this is the latest diagram for a Static Spark Gap Tesla Coil (SSGTC), note that the 240 volts is my supply voltage (UK) yours may be different.
I left the safety gaps in place, they don't interfere with operation, to set up safety gaps, these should NOT arc when they are the only gaps connected and should not arc in normal Tesla operation, so adjust close enough to arc, then back them off until you just get no arc at all.
(If using a static gap, you could omit the safety gap, the active gap will act as safety)
The best way to set this up is to ONLY connect the active gap to the transformer, be sure that the capacitor and primary connections are totally disconnected. Adjust the active gap so you just get a decent continuous spark, once done, DO NOT RE-ADJUST as part of tuning.
The alternative way that I do it is to take the primary clip, and clip that to the other end of the capacitor bank, thus shorting it out so it doesn't charge up.
Now connect the primary and capacitor as shown, you should get some sort of arc from the top, even if it's without the topload. Now adjust the primary tapping, I suggest doing this with a breakout point on the topload so you can measure the distance of arc. Another suggestion is to make a temporary primary from some stout copper wire, add plenty more turns than what the calculations suggest, once you find the approximate turns tapping, make the permanent primary, and add a couple more turns, this allows for different operating conditions (different topload, transformer, capacitor bank etc).
In the diagram, the earth at the centre tap of the transformer is connected to mains earth along with any metal casing
The earth point at the bottom of the secondary is RF earth NOT MAINS EARTH, and RF earth is usually a rod in the ground with a separate wire, NOT the central heating.
To work out the values for everything, I suggest you get Teslamap, it's only a few dollars for the full version, and well worth the cost as you can save the results of different coils you build, then you can refer back to them when needed.
You may freely link to any content or page. You may not hotlink any images etc You may copy any snippet of information providing you credit me with the creation